Каталог

Контроллер HMI-500, арт. 1-4-0101-500

Бренд:Volcano
К сравнению
В избранное
Артикул:7717826
-25%
Контроллер HMI-500, арт. 1-4-0101-500
Комплектующие для
тепловентиляторов Volcano EC
Размер (Ш×В×Г), мм:
85 × 97 × 41
Вернем 188.6 руб.Возвращаем 2% от стоимости на ваш бонусный счет за покупку. Например, если вы совершили покупку на 10000 рублей, то на ваш бонусный счет будет зачислено 200 рублей

Подробнее

9 430 12 576,17
С НДС 22%
11
Информация о доставке
Самовывоз
Транспортная компания GTD
Рассчитываем стоимость доставки...
ТК Деловые Линии
Рассчитываем стоимость доставки...
СДЭК ПВЗ или курьер
Рассчитываем стоимость доставки...
Прочее
Доставка любой ТК (Оплата по факту, Покупателем)
Рассчитываем стоимость доставки...
Описание
Характеристики
Отзывы
Сопутствующие файлы
Вопрос-Ответ 0

Контроллер HMI-VR-500

Предназначен для управления одним или группой (до 15 шт.) тепловентиляторов Volcano EC. Контролирует скорость вращения двигателя вентилятора, а так же работу крана с электроприводом для подачи теплоносителя в автоматическом или ручном режиме.

Функции:

  • Отображение текущей температуры внутри помещения
  • Регулирование температуры
  • Установка и индикация скорости вентилятора
  • Автоматическое управление скоростью вентилятора в диапазоне 0-100%
  • Ручное управление скоростью вентилятора
  • Календарь с возможностью программирования температурного режима по дням недели и по времени суток
  • Встроенный датчик температуры
  • Возможность подключения внешнего датчика температуры

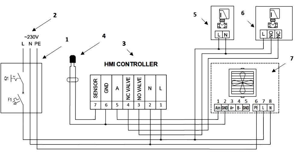
Схема подключения:

  1. Главный выключатель
  2. Питание 230V
  3. Контроллер HMI
  4. Внешний датчик NTC (опционально)
  5. Клапан штоковый двухходовой с сервоприводом NVMZ (нормально закрытый)
  6. Кран шаровый двухходовой с сервоприводом TR-10-01
  7. Воздушно-отопительный агрегат Volcano EC

Польша Польша — страна бренда
Польша, Турция — страна производства
Характеристики
Общие характеристики
Бренд:
Родина бренда:
Вид комплектующего:
Комплектующие для
Цвет:
Тип двигателя:
Монтаж (установка)
Вариант установки
Габаритные размеры
Размер (Ш×В×Г), мм:
Вес, кг:
Размеры в упаковке (Ш×В×Г), мм:
Отзывов ещё нет — ваш может стать первым.
Все отзывы 0
Оцените товар:
Нажмите на кнопку или перетащите фото в эту областьдо 10 изображений PNG, JPEG.
Спасибо!Ваш отзыв появится на сайте после проверки.
Средняя оценка покупателей
0.0 из 5 звезд
Сопутствующие файлы
Не заполнено поле "Имя"
Не заполнено поле "Email"
В тексте вопроса должно быть как минимум 3 символа
C этим товаром также покупают
Водяной тепловентилятор Тепломаш КЭВ-25Т3W2
5.0
1 отзыв
Россия Россия
35 534 40 380 -12%с НДС 22%
Вернем 710.68 руб.Возвращаем 2% от стоимости на ваш бонусный счет за покупку. Например, если вы совершили покупку на 10000 рублей, то на ваш бонусный счет будет зачислено 200 рублей

Подробнее